| 產品別名 | 注塑輔機 |
|---|---|
| 產品用途 | 注塑成形產品取出 |
| 電動機功率 | 0.2(KW) |
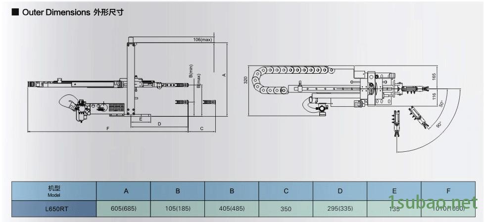
| 外形尺寸 | 605*320*1030(mm) |
| 重量 | 26(kg) |
| 類別 | 機械手 |
| 售后服務 | 整機一年保修 |
| 規格 | L-650RT |
| 品牌 | 杉本 |
| 型號 | L-SERIES |




手臂采用高強度鋁合金結構梁配合精密線性滑軌,低噪音、壽命長。
引拔部分采用可調手柄,無需工具即可輕松調整。
選購R:左右旋出入60-90度。
T:夾具爪旋180度
基本參數| 電源 | 電源容量 | 工作氣壓 | **大容許氣壓 | 驅動方式 | 控制系統 |
| AC220v±10v 50/60HZ | 0.2 | 5kgf/cm2 0.49Mpa | 8kgf/cm2 0.8Mpa | 氣動 Pneumatic cylinder | SXCX-X1 |
綜合參數
| 機型 | SL350RT | SL450RT | SL550RT | SL650RT |
| 適用成型機(Ton) | 20-30 | 30-60 | 50-100 | 80-150 |
| 側入行程(mm) | 350 | 450 | 550 | 650 |
| 上下行程(mm) | 125 | 125 | 125 | 125 |
| 旋出角度(度) | 選購R:旋轉60-90度,無記號不旋轉 | |||
| 夾具旋轉角度(度) | 選購T:爪旋180度,無記號不旋轉 | |||
| **大荷重(kg) | 1 | |||
| 取出時間(sec) | 0.6 | 0.7 | 0.8 | 0.9 |
| 全循環時間(sec) | 3.8 | 4 | 4.2 | 4.4 |
| 空氣消耗量(NI/cycle) | 4 | 4.5 | 4.8 | 5.2 |
| 凈重(kg) | 20 | 22 | 24 | 26 |
| ||||
| ||||
外型尺寸
| 機型 | A | B(min) | B(max) | C | D | E | F |
| SL350(R)[T] | 605(685) | 105(185) | 405(485) | 350 | 295[335] | 135 | 1010[1050] |
| SL450(R)[T] | 450 | 1110[1150] | |||||
| SL550(R)[T] | 550 | 1130[1170] | |||||
| SL650(R)[T] | 560 | 1130[1270] |
操作器
SXCX-L1操作器
中/英文切換
8組內建程式
12組教導模式
50組模具記憶
可指示操作時間為0.01秒的細微動作
預留接點可連接輸送帶、承接臺等外圍設備
選購CE規格(EUROMAP&SPI)
//www.jiqiren-cn.com/zsjjxs/ 注塑機械手
//www.jiqiren-cn.com/gyjxs/ 通用型機器人
//www.jiqiren-cn.com/ccjxss/ 數控車床機械手
//www.jiqiren-cn.com/ccjxs/ 沖床機械手

